Your Guitar Isn’t Just an Instrument, It’s a Blueprint You’ve Been Ignoring
From my father’s engineering drafts to handcrafted guitars, the real story isn’t what you play, it’s the unseen precision, discipline, and design that built it with blueprints below.
A few years ago, after my dad passed away, I found something I wasn’t expecting to hit me the way it did. Tucked away were stacks of engineering drafts… blueprints of outlet works, intake towers, infrastructure designs… the kind of stuff most people would glance at and think, “Yeah… this belongs in a filing cabinet somewhere.”
But I didn’t see paperwork.
I saw him.
My dad was a civil engineer with CALTRANS. He didn’t start at the top. He started as a draftsman… because he had mad skills. The kind of skills where lines weren’t just lines… they meant something. They connected. They solved problems. They built the invisible systems that people rely on every single day without ever thinking about it.
Over 37 years, he worked his way up. Not flashy. Not loud. Just consistent. Focused. The kind of career that doesn’t trend on social media but quietly holds up entire highways… literally.
And then there I was, standing in a room, holding pieces of his life that used to just be… work.
When Paper Turns Into Something Else



So I did what any completely rational person would do…
I took these highly technical engineering documents… went to Kinkos… blew them up to 20x24… and framed them like they belonged in a gallery.
Because to me, they did.
Now, if you walked into my place, you might think, “Interesting… is this guy building a dam in his living room?” But that’s not the point.
The point is this:
Those lines, those measurements, those tiny handwritten notes… they’re not just technical details anymore. They’re fingerprints. They’re discipline. They’re proof of a lifetime of showing up and doing the work.
And somewhere along the way, something shifted in my brain.
I stopped seeing “what it is”…
…and started seeing “what it represents.”
The Unexpected Connection to Guitar
Now you might be thinking, “Ron… what does this have to do with guitars?”
Fair question.
Stay with me.
Because that moment standing there, staring at blueprints like they were Picasso, completely changed how I see instruments.
I’m not saying you should go frame outlet work schematics (unless you’re feeling bold, then by all means… let’s talk).
But I am saying this:
We rarely appreciate the level of detail that goes into the tools we use every day… especially guitars.
We play them. We buy them. We obsess over tonewoods and pickups and whether this one sounds “warmer” than that one.
But how often do we stop and think about the hands that built it?
The Invisible Layer of Craft






Through Lundinke, I’ve met a lot of luthiers.
And every time I walk into one of their workshops, I feel like I’m back in that moment with my dad’s blueprints.
Quiet focus.
Intentional movement.
No wasted motion.
No shortcuts.
Just craft.
These aren’t just people “making guitars.” These are highly skilled, borderline obsessive creators who understand wood, tension, resonance, structure, and feel at a level most players never will.
They’re not chasing hype.
They’re chasing precision.
Think about it:
The way a neck sits in your hand
The way a note sustains just a little longer than expected
The way the instrument responds when you dig in versus when you play softly
That’s not random.
That’s design.
That’s engineering.
That’s craftsmanship layered over years… sometimes decades.
Big Brands vs. The Quiet Builders
Let’s be real for a second.
We all know the big names: Fender. Gibson. The heavy hitters. The legacy brands. The ones that built the soundtracks of entire generations.
And there’s nothing wrong with that. Those companies changed music.
But scale changes things.
When you’re producing at volume, the goal shifts from individual perfection to consistent output. Systems replace intuition. Efficiency replaces obsession.
Again… nothing wrong with that.
But it’s different.
A luthier doesn’t operate like that.
A luthier is closer to what my dad was doing at a drafting table decades ago… one line at a time… one decision at a time… knowing that every detail matters because there is no safety net of mass production behind it.
If something is off… it’s on them.
And that’s what makes it special.
The Blueprint You Don’t See
Here’s where it all ties together.
When I look at a guitar now, I don’t just see:
The finish
The brand
The price tag
I see the blueprint behind it.
Not a literal piece of paper… but the invisible framework:
The decisions that were made
The mistakes that were corrected
The years of skill that made it possible
Just like my dad’s prints.
Those weren’t just lines. They were solutions to real-world problems. They were infrastructure that people would rely on without ever knowing his name.
Luthiers operate in a similar way.
You might never know who built your guitar.
You might never meet them.
But their work is literally in your hands.
Why This Matters (More Than You Think)
Let’s bring this back to you as a player.
We spend a lot of time chasing the next thing:
The next pedal
The next upgrade
The next guitar
And there’s nothing wrong with that. Gear is fun. It’s part of the culture.
But what if we shifted the lens just a little?
What if instead of asking:
“What’s the best guitar for the money?”
You asked:
“Who built this… and how?”
That question changes everything.
Because now you’re not just buying an object.
You’re connecting to a process.
A philosophy.
A level of care that doesn’t show up on spec sheets.
From Highways to Headstocks
My dad built systems that moved people.
Luthiers build instruments that move people.
Different outputs… same foundation.
Detail.
Precision.
Patience.
And a level of commitment that most people will never fully understand because they only see the end result.
Nobody driving down a highway is thinking about the draftsman who helped design it.
And most players aren’t thinking about the person who shaped their neck profile or selected that specific piece of wood.
But that doesn’t make it less important.
If anything… it makes it more meaningful when you do think about it.
A New Way to Choose Your Next Guitar
So here’s my point.
I’m not telling you to ditch big brands.
I’m not telling you to suddenly become a boutique-only player who starts saying things like, “I only play instruments crafted under a full moon by a third-generation artisan.”
Relax.
But I am suggesting this:
Next time you’re thinking about buying a guitar…
Pause.
Look a little deeper.
Explore the world of luthiery.
Talk to builders.
Ask questions.
Understand the process.
Because you might find something you weren’t even looking for.
Not just a guitar…
…but a connection.
The Unexpected Outcome
Those framed blueprints in my place?
They’re not just decoration.
They’re reminders.
That detail matters
That craft matters
That the work behind the scenes is often more powerful than what people see
And every time I pick up a guitar now, there’s a part of me that sees it differently.
Not just as an instrument…
…but as someone else’s life work.
Your Move
Start small.
Research one independent luthier this week
Watch how a guitar is actually built
Pay attention to the details you normally ignore
And next time you pick up your guitar…
Ask yourself:
“What’s the blueprint behind this?”
Because once you see it…
You can’t unsee it.
And that’s where appreciation turns into something deeper.
Something personal.
Something real.
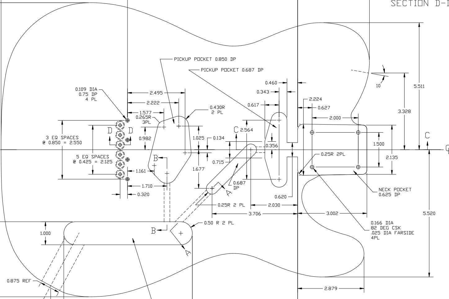
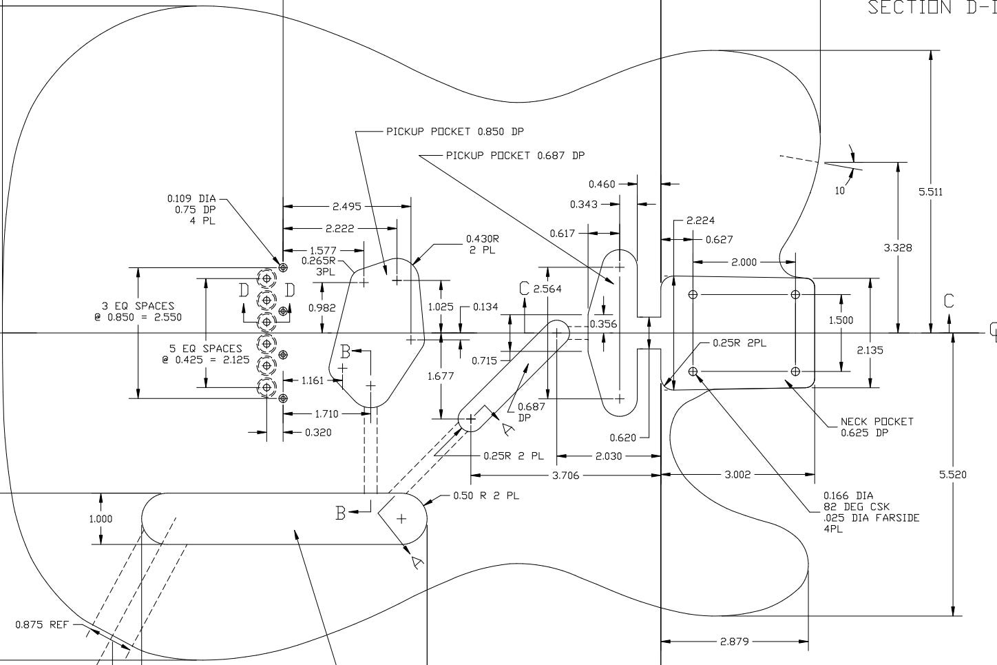
THE BLUEPRINTS
If you really want to take this further, start looking at things like Fender Telecaster Luthier Plans PDF or detailed guitar blueprints. These aren’t just diagrams, they’re the DNA of the instrument. Every curve, measurement, and angle tells a story about tone, feel, and intent. Studying a Fender Telecaster Blueprint Guitar Build Plans gives you a completely different level of respect for what ends up in your hands, because now you’re not just playing the guitar… you’re understanding how it was thought into existence.


